Miks eelistame alalisvoolumootoreid vahelduvvoolumootoritele
Jäta sõnum
Sissejuhatus
Alalisvoolu reduktormootorid on oma väikese kiiruse, suure pöördemomendi ja kompaktse disaini tõttu muutunud ideaalseks valikuks paljude täppisjuhtimisseadmete jaoks. Kombineerides alalisvoolumootori reduktoriga, ei suurenda need mitte ainult väljundvõimsust, vaid võimaldavad ka paindlikku kiiruse reguleerimist, muutes need laialdaselt kasutuseks sellistes valdkondades nagu robootika, nutikad koduseadmed ja meditsiiniseadmed.
Selles artiklis käsitletakse alalisvoolu reduktormootorite määratlust, tööpõhimõtteid ja rakendusi erinevates seadmetes. Samuti võrdleme alalisvoolu reduktormootorite eeliseid samm- ja vahelduvvoolumootoritega, aidates teil paremini mõista, miks alalisvoolumootoritel on kaasaegses tehnoloogias oluline positsioon.
Mis on alalisvoolu reduktormootor
Alalisvoolu reduktormootor on väikese kiirusega suure pöördemomendiga mootor, mis ühendab alalisvoolumootori reduktoriga, mida tuntakse ka reduktormootorina. Selle põhiülesanne on vähendada mootori kiirust ülekandemehhanismi kaudu, suurendades samal ajal väljundmomenti, et vastata erinevate mehaaniliste seadmete võimsusnõuetele. See integreeritud disain mitte ainult ei säästa ruumi, vaid parandab ka tõhusust, muutes selle väga sobivaks stsenaariumide jaoks, mis nõuavad täppisjuhtimist ja väikese võimsusega väljundit.
Alalisvoolu reduktormootori tööpõhimõte põhineb alalisvoolumootori ja käigukasti vahelisel koostööl. Alalisvoolumootor genereerib pöörlemisvõimsust elektrivoolu ja magnetvälja koosmõjul, samal ajal kui reduktor muudab selle kiire pöörlemise väikese kiirusega ja suure pöördemomendiga väljundiks. Reguleerides ülekandearvu, saab see mootor pakkuda paindlikku kiiruse reguleerimist ja stabiilset väljundvõimsust, muutes selle laialdaselt kasutatavaks erinevates keerukates seadmetes.
Praktilistes rakendustes kasutatakse alalisvoolu reduktormootoreid laialdaselt robootikas, nutikate koduseadmetes, mudellennukites, väikestes tööpinkides ja meditsiiniseadmetes nende väiksuse, lihtsa konstruktsiooni ja töökindla töö tõttu. Näiteks robootikas kasutatakse neid liigeste ajamiseks ja täpse liikumise juhtimise saavutamiseks; kodumasinates, nagu elektrikardinad või nutikad lukud, tagavad need väikestele seadmetele vaikse ja tõhusa toite; meditsiiniseadmetes pakuvad need ülitäpset väljundit täppisseadmetele, nagu infusioonipumbad.
Mis vahe on DC-käigukasti mootoril ja samm-mootoril?
Alalisvoolu reduktormootori ja samm-mootori erinevused kajastuvad peamiselt järgmistes aspektides: "tööpõhimõte", "juhtimismeetod", "tõhusus ja energiatarbimine", "konstruktsioonilised omadused" ja "rakendusvaldkonnad".
Tööpõhimõte:
DC reduktormootor: alalisvoolu reduktormootoris on ühendatud alalisvoolumootori ja käigukasti omadused. Selle tööpõhimõte hõlmab pöörleva mehaanilise energia genereerimist harjade ja armatuuri vahelise elektromagnetilise interaktsiooni kaudu, millele järgneb kiiruse vähendamine ja pöördemomendi suurendamine läbi käigukasti. Alalisvoolumootori pöörlemiskiirus on võrdeline rakendatud pingega, samas kui käigukasti eesmärk on saavutada kiiruse vähendamise kaudu suurem pöördemoment.
Sammmootor: samm-käigukast ühendab samm-mootori käigukastiga. Sammmootor saavutab rootori astmelise pöörlemise fikseeritud nurkade all, kontrollides vooluimpulsse, võimaldades täpselt juhtida mootori nurka ja asendit. Käigukasti kasutatakse kiiruse vähendamiseks ja pöördemomendi suurendamiseks. Samm-käigukast saab juhtida täpseid pöördenurki ja positsioone ilma tagasisidesüsteemita, kasutades impulsssignaale.
Kontrollimeetod:
DC reduktormootor: tavaliselt kasutab suletud ahela juhtimist, kasutades tagasisidemehhanisme, et täpselt juhtida mootori kiirust ja asendit. See annab alalisvoolumootoritele eelise rakendustes, mis nõuavad pidevat pöörlemist või lineaarset liikumist, nagu kodumasinad, tööpingid ja sõidukid. Muidugi võivad alalisvoolumootorid töötada ka avatud ahela juhtimisel, kuid avatud ahelaga juhtimisel ei saa nad kiirust ja asendit täpselt reguleerida.
Sammmootor: kasutab avatud ahelaga juhtimist, mis ei vaja tagasisidesüsteemi. See juhib mootori pöörlemisnurka ja kiirust, manipuleerides impulsside arvu ja sagedusega. Tänu sellele toimivad samm-mootorid erakordselt hästi täpset juhtimist nõudvates rakendustes, nagu printerid ja robootika.
Tõhusus ja energiatarve:
DC reduktormootor: üldiselt on kõrge efektiivsusega, eriti pideva töötamise ajal. Kuna selle kiirust reguleeritakse pinge reguleerimisega, on sellel hea energiakasutus ning selle efektiivsus on tavaliselt tihedalt seotud koormuse ja kiirusega.
Sammmootor: kuna see kasutab avatud ahelaga juhtimist, nõuab see sageli pidevat vooluvarustust, mis võib kaasa tuua suurema energiatarbimise, eriti madala koormuse tingimustes. Kuigi selle täpsus on kõrge, võivad selle energiatõhusust mõjutada koormus ja kiirus.
Struktuuri omadused:
| Omadused | DC reduktormootor | Sammkäigukastiga mootor |
| Mootori tüüp | Harjatud või harjadeta alalisvoolumootor | Harjadeta samm-mootor |
| Mootori juhtimismeetod | Voolupõhine reguleerimine, kasutades tavaliselt avatud või suletud ahelaga juhtimist | Impulsssignaalipõhine juhtimine, impulsi sagedusega juhitav pöörlemine |
| Käigukast | Tagab kiiruse vähendamise ja pöördemomendi suurendamise, tavaliselt planetaarkäigukastiga | Samuti tagab kiiruse vähendamise ja pöördemomendi suurendamise, sageli koos planetaarkäigukastiga |
| Struktuurne keerukus | Harjatud mootorid on lihtsa ehitusega, samas kui harjadeta mootorid on veidi keerukamad, kuid töökindlamad | Suhteliselt keeruline struktuur, mis tugineb elektroonilistele juhtimissüsteemidele |
| Müra | Harjatud mootorid tekitavad mõningast müra; harjadeta mootorid tekitavad madalamat müra | Astmejuhtimine võib erinevatel koormustel tekitada müra |
| Hooldus ja eluiga | Harjatud mootorid vajavad regulaarset harja vahetamist; harjadeta mootoritel on madal hooldusvajadus | Harjadeta disain, madal hooldus ja pikk kasutusiga |
Miks on alalisvoolumootorid paremad kui vahelduvvoolumootorid?
Ülaltoodud sissejuhatuse kaudu oleme mõistnud nendevahelisi erinevusi. Niisiis, miks on alalisvoolu reduktormootorid paremad kui vahelduvvoolumootorid? Peamised põhjused peituvad järgmistes aspektides: "lihtne juhtimine", "suurepärane käivitusjõudlus", "kompaktne struktuur" ja "madala hinnaga hooldus".
Juhtimise osas on alalisvoolu reduktormootoritel lihtsam juhtimismeetod võrreldes vahelduvvoolu reduktormootoritega. Alalisvoolumootorite kiirust ja suunda saab reguleerida pinge reguleerimisega, muutes juhtimissüsteemi lihtsaks ja hõlpsamini rakendatavaks suletud ahela juhtimisega. See lähenemisviis võimaldab alalisvoolumootoritel olla tõhusamad rakendustes, mis nõuavad täpset reguleerimist ja dünaamilist reaktsiooni. Seevastu vahelduvvoolu reduktormootorid nõuavad suhteliselt keerulisi juhtimissüsteeme, mis hõlmavad tavaliselt invertereid või muid jõuelektroonilisi seadmeid, et reguleerida sagedust ja pinget, mis suurendab juhtimise raskusi ja kulusid.
Käivitusvõime osas ületavad alalisvoolu reduktormootorid üldiselt vahelduvvoolu reduktormootoreid. Alalisvoolumootoritel on suurepärased madalal kiirusel käivitusomadused, mis võimaldavad sujuvat käivitust ilma täiendava käivitusseadmeta ja pakuvad suuremat käivitusmomenti. Seevastu vahelduvvoolu reduktormootorid vajavad väikese kiirusega käivitamiseks täiendavaid käivitusahelaid või seadmeid ning nende käivitusmoment on tavaliselt väiksem. See muudab alalisvoolu reduktormootorid kasulikumaks rakendustes, mis nõuavad suurt käivitusmomenti ja kiiret reageerimist.
Kompaktse struktuuri osas on alalisvoolu reduktormootorid sageli kompaktsemad kui vahelduvvoolumootorid. Alalisvoolumootorid ei vaja täiendavaid muundureid ega invertereid ning võivad ühenduda otse koormusega, vähendades süsteemi üldist suurust ja kaalu. Eriti piiratud ruumiga rakendustes teeb kompaktse disaini need ideaalseks valikuks. Teisest küljest vajavad vahelduvvoolu reduktormootorid pinge muundamiseks ja sageduse reguleerimiseks tavaliselt suuremaid väliseid komponente, mis suurendavad konstruktsiooni keerukust.
Hoolduskulude osas vajavad alalisvoolu reduktormootorid tavaliselt vähem hooldust. Alalisvoolumootorid, eriti harjadeta alalisvoolumootorid, kaotavad peaaegu vajaduse korrapärase harja vahetamise järele, muutes nende struktuuri lihtsamaks ja hoolduskulud madalamaks. Vastupidi, vahelduvvoolu reduktormootorid hõlmavad rohkem väliseid elektroonilisi juhtseadmeid ja vajavad hoolduseks üldjuhul professionaalset tehnilist tuge, mis toob kaasa suuremad üldised hoolduskulud. Lisaks on süsteemi rikke korral vahelduvvoolumootorite parandamine keerulisem, muutes alalisvoolu reduktormootorid pikaajaliseks kasutamiseks kuluefektiivsemaks.
Miks eelistame alalisvoolumootoreid vahelduvvoolumootoritele
Nüüdseks olete ilmselt sellest teemast teatud arusaama saanud. Põhjused, miks inimesed eelistavad alalisvoolumootoreid, ulatuvad aga palju kaugemale. Alalisvoolu reduktormootorid pakuvad olulisi eeliseid sellistes valdkondades nagu tõhusus, stabiilsus, teisaldatavus, ohutus ja tehnoloogiline tugi.
Tõhususe ja stabiilsuse osas on alalisvoolu reduktormootoritel tavaliselt kõrgem energiatõhusus, eriti väikese ja suure koormuse tingimustes. Alalisvoolumootorid saavad voolu reguleerida vastavalt koormusele, saavutades suurema energia muundamise efektiivsuse. See tagab stabiilse jõudluse pikaajalise töötamise ajal, minimeerides tarbetut energiaraiskamist. Lisaks on alalisvoolumootorite kiirus võrdeline pingega, võimaldades täpsemat juhtimist ja tõhusalt vältida sagedastest käivitustest ja seiskamistest põhjustatud ebastabiilsust. Need omadused muudavad alalisvoolu reduktormootorid eelistatumaks rakendustes, mis nõuavad tõhusat ja stabiilset väljundit.
Kaasaskantavuse ja kasutatavuse poolest on alalisvoolu reduktormootorid tänu kompaktsele struktuurile ja lihtsale juhtimisele üldiselt mugavamad ja hõlpsamini kasutatavad kui vahelduvvoolumootoreid. Alalisvoolumootorid võivad töötada otse koormusega, ilma et oleks vaja täiendavaid invertereid või võimsuse reguleerimise seadmeid, vähendades oluliselt süsteemi keerukust ja parandades kaasaskantavust. Lisaks on paljud alalisvoolumootorid, eriti harjadeta alalisvoolumootorid, kavandatud olema kergemad, mistõttu sobivad need rakendustele, kus on ranged ruumi- ja kaalunõuded. Näiteks väikestes robotites või kaasaskantavates seadmetes on alalisvoolu reduktormootorid eelistatud valik nende kerge ja hõlpsa integreerimise tõttu.
Ohutuse mõttes on alalisvoolu reduktormootorid üldiselt ohutumad kui vahelduvvoolumootorid. Alalisvoolumootorid töötavad madalamal pingel ja oma reguleeritava voolu tõttu suudavad paremini isereguleeruda ülekoormuse või ebatavaliste tingimuste korral, vähendades elektririkkete ja tuleohu ohtu. Eriti väldivad harjadeta alalisvoolumootorid harjade hõõrdumist, mis välistab kõrge temperatuuri tekke töö ajal, vähendades veelgi ülekuumenemise tõenäosust ja suurendades kasutamise ajal ohutust. Seevastu vahelduvvoolumootoritel on kõrgepinge ja keerukate juhtimissüsteemidega kõrgemad ohutusnõuded ja hooldusprobleemid.
Tehnoloogilise toe osas on alalisvoolu reduktormootorid viimastel aastatel näinud olulisi tehnoloogilisi edusamme ja arendustuge. Harjadeta alalisvoolumootorite ilmumine on oluliselt parandanud mootori efektiivsust ja eluiga, vähendades samal ajal hooldusvajadusi. Akutehnoloogia ja juhtimissüsteemide pideva optimeerimisega on alalisvoolumootorite rakendusstsenaariumid muutunud üha laiemaks. Eriti sellistes valdkondades nagu elektritööriistad, nutikad koduseadmed, robootika ja elektrisõidukid, on alalisvoolumootorite kasutamine muutunud väga küpseks. Võrreldes on vahelduvvoolumootoritel aeglasemad tehnoloogilised uuendused. Kuigi need domineerivad endiselt teatud tööstusvaldkondades, on suuremat tõhusust ja paindlikkust nõudvates rakendustes alalisvoolumootorid kahtlemata konkurentsivõimelisemad.
DC käigukasti mootori tootja
Just alalisvoolu reduktormootorite eeliste tõttu tõhususe, stabiilsuse, teisaldatavuse, ohutuse ja tehnoloogilise arengu toe osas on neist saanud paljude kaasaegsete seadmete eelistatud mootorid. Hiina juhtiva alalisvoolu reduktormootorite tootjana paistab VSD silma märkimisväärsete tugevate külgedega toote jõudluses, kvaliteedi tagamises ja kohandamisvõimalustes, pakkudes klientidele kogu maailmas väärtuslikke ja usaldusväärseid alalisvoolu reduktormootorite lahendusi.
VSD tehase pindala on üle 10000 ruutmeetri, igakuine tootmisvõimsus on üle 4,5 miljoni mootori ja õigeaegne tarnemäär kuni 99%. Kõik tooted läbivad range müra-, veekindluse, tolmukindluse ja eluea testimise, et tagada kõrge kvaliteet ja kauakestev stabiilsus. Lisaks on VSD-l laialdased kohandamiskogemused, 90% tellimustest on kohandatud ainult klientide vajadustele, hõlmates selliseid valdkondi nagu intelligentne robootika, tööstusseadmed ja elektrilised tööriistad.
Üle kümneaastase tööstusharu kogemusega VSD-st on saanud alalisvoolumootorite tootjana usaldusväärne partner. Kui vajate suure jõudlusega kohandatavaid mootorilahendusi, on VSD teie parim valik!
Lisateave:VSD alalisvoolu käigukastiga mootorite tootja üle 10 aasta
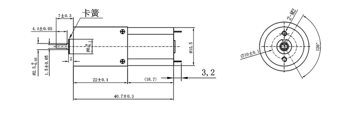
VSD DC käigukasti mootori soovitused
| Toote pilt |
|
|
|
||||
| Mootori mudel | VSD{0}}FN20 | VSD-N20 | VSD-16P030 | ||||
| PINGE | KASUTUSVALIK | 4~5 | 8~14 | 8~16 | 18~26 | 3~12 | 3~12 |
| NOMINAALNE V |
4.5 | 12 | 12 | 24 | 6 | 12 | |
| KOORMUST EI OLE | KIIRUS p/min |
43.5 | 121.94 | 710 | 1546 | 59 | 126.87 |
| HOOLDUS A |
0.036 | 0.032 | 0.064 | 0.061 | 0.95 | 0.095 | |
| MAKSIMAALSE EFEKTIIVSUSEGA | KIIRUS p/min |
34 | 104 | 544 | 1213 | 43 | 101 |
| PRAEGU A |
0.13 | 0.212 | 0.165 | 0.233 | 0.263 | 0.372 | |
| PÖÖDEMOMENT mN.m |
82.5 | 154.559 | 14.985 | 25.133 | 182.933 | 301.598 | |
| VÄLJUND W |
0.295 | 1.689 | 0.803 | 3.193 | 0.83 | 3.191 | |
| ALUSTAMINE | PÖÖDEMOMENT mN.m |
382.2 | 1071.429 | 53.578 | 116.668 | 689.036 | 1481.621 |
| PRAEGU A |
0.471 | 1.255 | 0.424 | 0.849 | 0.727 | 1.454 | |
| Toote disain | ![]() |
|
|
||||
| Toote jõudlus |
|
|
|
||||
* Ülaltoodud andmed pärinevad sisetesti tulemustest ja ei esinda täpseid andmeid.
| Toote pilt |
|
|
|
||||
| Mootori mudel | VSD-16P050 | VSD-24P370 | VSD-22PG2233 | ||||
| PINGE | KASUTUSVALIK | 6 | 12 | 3~12 | 3~12 | 8~16 | 18~26 |
| NOMINAALNE V |
6 | 12 | 6 | 12 | 12 | 24 | |
| KOORMUST EI OLE | KIIRUS p/min |
26 | 59 | 160.71 | 540 | 107.42 | 229.4 |
| HOOLDUS A |
0.187 | 0.175 | 0.09 | 0.09 | 0.4 | 0.36 | |
| MAKSIMAALSE EFEKTIIVSUSEGA | KIIRUS p/min |
17 | 42 | 91 | 351 | 80 | 184 |
| PRAEGU A |
0.344 | 0.444 | 0.119 | 0.168 | 1.57 | 1.637 | |
| PÖÖDEMOMENT mN.m |
225.924 | 410.971 | 8.885 | 24.163 | 558.474 | 991.961 | |
| VÄLJUND W |
0.403 | 1.816 | 0.085 | 0.889 | 4.669 | 17.606 | |
| ALUSTAMINE | PÖÖDEMOMENT mN.m |
642.13 | 1456.246 | 20.589 | 69.178 | 2174.499 | 4643.918 |
| PRAEGU A |
0.634 | 1.129 | 0.156 | 0.312 | 3.349 | 6.699 | |
| Toote disain |
|
|
|
||||
| Toote jõudlus |
|
|
|
||||
* Ülaltoodud andmed pärinevad sisetesti tulemustest ja ei esinda täpseid andmeid.
| Toote pilt |
|
|
|
||||
| Mootori mudel | VSD-24P2418 | VSD{0}}G320 | VSD-58W3657 | ||||
| PINGE | KASUTUSVALIK | 8~16 | 18~26 | 5~6 | 8~16 | 8~14.4 | 22~26 |
| NOMINAALNE V |
12 | 24 | 6 | 12 | 12 | 24 | |
| KOORMUST EI OLE | KIIRUS p/min |
137.88 | 302 | 147 | 307.5 | 5.29 | 11.6 |
| HOOLDUS A |
0.08 | 0.075 | 0.45 | 0.42 | 0.35 | 0.35 | |
| MAKSIMAALSE EFEKTIIVSUSEGA | KIIRUS p/min |
98 | 235 | 116 | 255 | 4 | 9 |
| PRAEGU A |
0.2 | 0.283 | 1.703 | 2.194 | 0.869 | 1.229 | |
| PÖÖDEMOMENT mN.m |
62.498 | 105.63 | 278.254 | 513.351 | 3197.82 | 5415.105 | |
| VÄLJUND W |
0.645 | 2.604 | 3.388 | 13.717 | 1.263 | 5.12 | |
| ALUSTAMINE | PÖÖDEMOMENT mN.m |
218.805 | 479.247 | 1331.142 | 3016.575 | 11140.506 | 24436.119 |
| PRAEGU A |
0.5 | 1 | 6.443 | 10.7 | 2.159 | 4.318 | |
| Toote disain |
|
|
|
||||
| Toote jõudlus |
|
|
|
||||
Lisateave:VSD madala kiirusega suure pöördemomendiga alalisvoolu reduktormootor

































